网站首页 关于我们 产品中心 新闻中心
工程业绩 企业荣誉 公司简介 联系我们

乾峰顺驰 > 产品展示

高温高压减温减压装置

高温高压减温减压装置

用途

本装置将新蒸汽的压力P1和温度tl(P1=10MPa t1=540 )降低到用户需要的各种压力P2和温度t2要求。

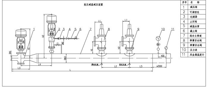
系统简述

本装置由减压系统,减温系统,安全保护装置和自动控制装置所组成。

减压系统一由减压阀和节流孔板,通过执行机构来实现。

减温系统一采用通过带有执行机构的可调喷咀喷水减温方式来实现蒸汽温度的调节。

安全保护装置—是直接采用冲量安全装置(由主安全阀和冲量安全阀组成)或弹簧安全阀来实现,当二次压超过规定值时,将压力超过部分的蒸汽排向大气,从而使二次压力保持在允许值内,以保证系统安全运行。

自动控制装置一配用我厂生产的RKG□□□□型蒸汽压力、温度控制装置,新蒸汽通过本装置能使二次蒸汽参数保持在所需的稳定值。

订货须知

1.产品名称:高温高压减温减压装置

2.签订合同必须写明下列参数:流量Q(即减温减压后流量);一次蒸汽压力P1,温度tl;二次蒸汽压力P2,温度t2;减温水压力Pb(Pb P2+0.5MPa))减温水温度tb。

3.控制方式:按需要选择自动控制装置的型号。

4.对于二次蒸汽质量要求较高的使用场合,二次蒸汽温度应大于饱和温度5~10 

5.按用户需要可接受特殊订货。